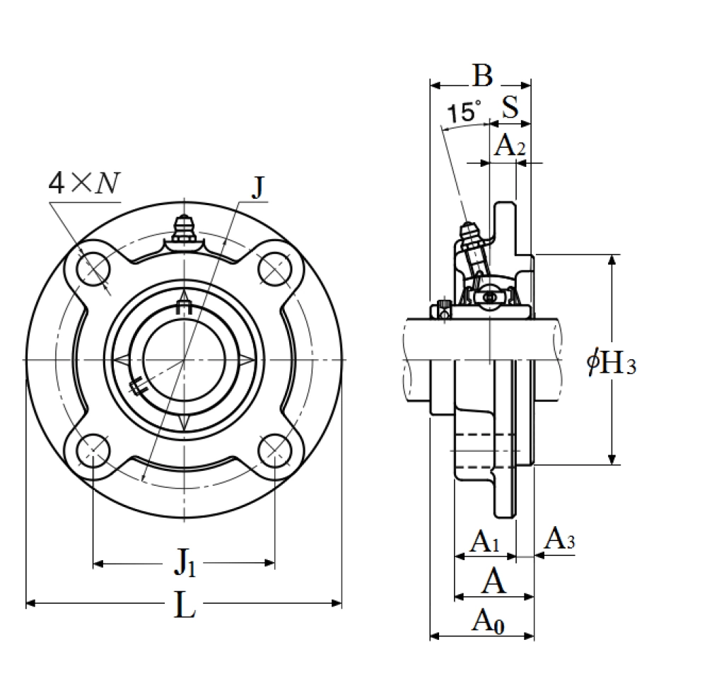
Gối đỡ UCFCX07D1
Đại lý uỷ quyền NTN chính hãng
NTN Authorized Distributor
Hotline - Zalo (hỗ trợ 24/7)
Email hỗ trợ / báo giá
THÔNG SỐ KỸ THUẬT
TÍNH NĂNG KHÁC
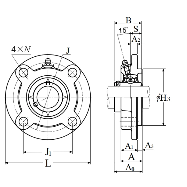
Sản phẩm cùng thông số
Hỗ trợ bán hàng 24/7
Máy gia nhiệt vòng bi NTN
NTN cung cấp dòng máy gia nhiệt cảm ứng tiên tiến mang tên SmartTEMP. Thiết bị này cho phép quản lý nhiệt độc đáo. Hiệu quả và dễ sử dụng, máy có thể gia nhiệt ổ trục hoặc bất kỳ bộ phận cơ khí nào khác có cùng trọng lượng.
Bộ đóng tháo vòng bi NTN
IFT 33 là một bộ dụng cụ gắn nguội (cold mounting tool kit) của NTN - SNR, dùng để lắp đặt các bộ phận của vòng bi bạc đạn vào đúng vị trí mà không làm hỏng chúng. Bộ dụng cụ này bao gồm 33 vòng đệm va đập (impact rings), 3 ống lót nhôm và một búa cao su, giúp phân bổ lực tác động đều và an toàn.
Máy đo độ rung vòng bi NTN
Các thiết bị và máy móc được cho là luôn hoạt động bình thường, nhưng thực tế nó không phải là “bình thường”. Việc chẩn đoán và bảo trì định kỳ các thiết bị và máy móc giúp chúng có thể hoạt động bình thường. “Máy đo độ rung cầm tay NTN Vibroscope” có thể dễ dàng thực hiện đo và phân tích độ rung có độ chính xác cao, góp phần giúp các thiết bị và máy móc luôn hoạt động trơn tru.
